ANSI SCH80
	
| 
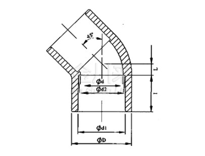
					 Size  | 
				
					 Do  | 
				
					 d1  | 
				
					 d2  | 
				
					 I  | 
				
					 d  | 
				
					 H  | 
				
					 L  | 
			
| 
					 1/2″  | 
				
					 29  | 
				
					 21.54  | 
				
					 21.23  | 
				
					 24.22  | 
				
					 16  | 
				
					 6.5  | 
				
					 61  | 
			
| 
					 3/4″  | 
				
					 35  | 
				
					 26.87  | 
				
					 26.57  | 
				
					 27.4  | 
				
					 22  | 
				
					 8  | 
				
					 71  | 
			
| 
					 1″  | 
				
					 44  | 
				
					 33.66  | 
				
					 33.27  | 
				
					 30.58  | 
				
					 28  | 
				
					 8  | 
				
					 81  | 
			
| 
					 1-1/4″  | 
				
					 54  | 
				
					 42.42  | 
				
					 42.04  | 
				
					 34.75  | 
				
					 35  | 
				
					 10  | 
				
					 92.5  | 
			
| 
					 1-1/2″  | 
				
					 60  | 
				
					 48.56  | 
				
					 48.11  | 
				
					 37.93  | 
				
					 43  | 
				
					 12  | 
				
					 102.5  | 
			
| 
					 2″  | 
				
					 73  | 
				
					 60.63  | 
				
					 60.17  | 
				
					 41.1  | 
				
					 54  | 
				
					 16  | 
				
					 120  | 
			
| 
					 2-1/2″  | 
				
					 88  | 
				
					 73.38  | 
				
					 72.85  | 
				
					 47.45  | 
				
					 65  | 
				
					 18  | 
				
					 143  | 
			
| 
					 3″  | 
				
					 105  | 
				
					 89.31  | 
				
					 88.70  | 
				
					 50.63  | 
				
					 80  | 
				
					 19.5  | 
				
					 158.5  | 
			
| 
					 4″  | 
				
					 132  | 
				
					 114.80  | 
				
					 114.10  | 
				
					 60.15  | 
				
					 100  | 
				
					 26  | 
				
					 194  | 
			
| 
					 5″  | 
				
					 156.2  | 
				
					 141.81  | 
				
					 141.05  | 
				
					 69.6  | 
				
					 134  | 
				
					 38.4  | 
				
					 243  | 
			
| 
					 6″  | 
				
					 191  | 
				
					 168.83  | 
				
					 168  | 
				
					 79.2  | 
				
					 150  | 
				
					 45  | 
				
					 280  | 
			
| 
					 8″  | 
				
					 246  | 
				
					 219.84  | 
				
					 218.69  | 
				
					 104.6  | 
				
					 200  | 
				
					 51  | 
				
					 353  | 
			
| 
					 10″  | 
				
					 306.5  | 
				
					 373.81  | 
				
					 372.67  | 
				
					 130  | 
				
					 265  | 
				
					 60  | 
				
					 433  | 
			
| 
					 12″  | 
				
					 364  | 
				
					 324.61  | 
				
					 323.47  | 
				
					 155  | 
				
					 315  | 
				
					 73  | 
				
					 518  | 
			
| 
					 14″  | 
				
					 397  | 
				
					 356.49  | 
				
					 355.22  | 
				
					 180  | 
				
					 346  | 
				
					 150  | 
				
					 704  | 
			
	
GB PM10/DIN PN16
	
					
  | 
				
					 ∮d1  | 
				
					 ∮d2  | 
				
					 ∮D  | 
				
					 ∮d  | 
				
					 I  | 
				
					 L  | 
			
| 
					 1/2″(15mm)  | 
				
					 20.3  | 
				
					 19.9  | 
				
					 26  | 
				
					 16  | 
				
					 16  | 
				
					 5  | 
			
| 
					 3/4″(20mm)  | 
				
					 25.3  | 
				
					 24.9  | 
				
					 32  | 
				
					 20  | 
				
					 19  | 
				
					 6  | 
			
| 
					 1″(25mm)  | 
				
					 32.3  | 
				
					 31.9  | 
				
					 41  | 
				
					 27  | 
				
					 22  | 
				
					 7.5  | 
			
| 
					 1-1/4″(32mm)  | 
				
					 40.3  | 
				
					 39.9  | 
				
					 50.5  | 
				
					 34  | 
				
					 26  | 
				
					 9.5  | 
			
| 
					 1-1/2″(40mm)  | 
				
					 50.3  | 
				
					 49.9  | 
				
					 63.2  | 
				
					 44  | 
				
					 31  | 
				
					 11.5  | 
			
| 
					 2″(50mm)  | 
				
					 63.3  | 
				
					 62.9  | 
				
					 79.5  | 
				
					 57  | 
				
					 38  | 
				
					 14  | 
			
| 
					 2-1/2″(65mm)  | 
				
					 75.35  | 
				
					 74.9  | 
				
					 93  | 
				
					 73.5  | 
				
					 44  | 
				
					 17.5  | 
			
| 
					 3″(80mm)  | 
				
					 90.5  | 
				
					 89.9  | 
				
					 112  | 
				
					 89.9  | 
				
					 51  | 
				
					 20  | 
			
| 
					 4″(100mm)  | 
				
					 110.6  | 
				
					 109.9  | 
				
					 133.1  | 
				
					 109.9  | 
				
					 61  | 
				
					 24.5  | 
			
| 
					 5″(125mm)  | 
				
					 140.85  | 
				
					 140.05  | 
				
					 163  | 
				
					 140  | 
				
					 77  | 
				
					 32.5  | 
			
| 
					 6″(150mm)  | 
				
					 160.85  | 
				
					 160.05  | 
				
					 186  | 
				
					 160  | 
				
					 86  | 
				
					 36  | 
			
| 
					 8″(200mm)  | 
				
					 226.25  | 
				
					 225.06  | 
				
					 261  | 
				
					 225  | 
				
					 119  | 
				
					 50  | 
			
| 
					 10″(250mm)  | 
				
					 251.45  | 
				
					 250.05  | 
				
					 290  | 
				
					 239  | 
				
					 131  | 
				
					 58  | 
			
| 
					 12″(300mm)  | 
				
					 316.85  | 
				
					 315.05  | 
				
					 364  | 
				
					 315  | 
				
					 163  | 
				68 | 
	
 



