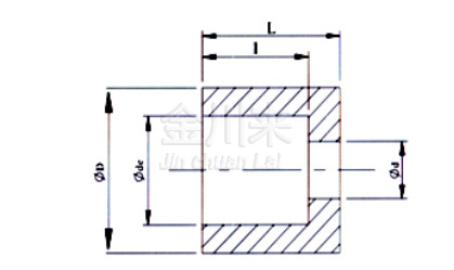
| Nominal | Outside Dia | Socket Type | Structural Diamter | 
| D*de | D | de | L | 
| 25*20 | 25 | 20 | 18 | 
| 32*25 | 32 | 25 | 23 | 
| 40*32 | 40 | 32 | 26 | 
| 50*40 | 50 | 40 | 31 | 
| 63*50 | 63 | 50 | 38 | 
| 75*63 | 75 | 63 | 44 | 
| 140*110 | 140 | 110 | 76 | 
環(huán)保塑膠管道及閥門(mén)廣東總經(jīng)銷(xiāo)

	
 
	
 
	
| Nominal | Outside Dia | Socket Type | Structural Diamter | 
| D*de | D | de | L | 
| 25*20 | 25 | 20 | 18 | 
| 32*25 | 32 | 25 | 23 | 
| 40*32 | 40 | 32 | 26 | 
| 50*40 | 50 | 40 | 31 | 
| 63*50 | 63 | 50 | 38 | 
| 75*63 | 75 | 63 | 44 | 
| 140*110 | 140 | 110 | 76 | 
MyKris201314
chengxiaomin5566
wxid_jcpomgbilsvs21
wxid_gs5za0y235ok21
BGY0504