ANSI SCH80
| Size | Do | d1 | d2 | I | d | L | 
| 1/2″ | 30.5 | 21.54 | 21.23 | 24.22 | 16.5 | 52 | 
| 3/4″ | 37 | 26.87 | 26.57 | 27.4 | 24 | 60 | 
| 1″ | 47 | 33.66 | 33.27 | 30.58 | 28 | 65 | 
| 1-1/4″ | 55.5 | 42.42 | 42.04 | 34.75 | 35 | 75 | 
| 1-1/2″ | 63 | 48.56 | 48.11 | 37.93 | 42.5 | 80 | 
| 2″ | 73 | 60.63 | 60.17 | 41.1 | 54 | 88 | 
| 2-1/2″ | 89 | 73.38 | 72.85 | 47.45 | 65 | 100 | 
| 3″ | 106 | 89.31 | 88.70 | 50.63 | 80 | 108 | 
| 4″ | 133 | 114.76 | 114.07 | 60.15 | 100 | 126 | 
| 5″ | 163.5 | 141.81 | 141.04 | 70 | 134.5 | 160 | 
| 6″ | 192 | 168.83 | 168 | 79.2 | 158 | 166 | 
| 8″ | 246 | 219.84 | 218.69 | 104.6 | 200 | 220 | 
| 10″ | 307 | 273.82 | 272.67 | 130 | 259 | 283 | 
| 12″ | 364 | 324.61 | 323.47 | 155 | 308 | 336.5 | 
| 14″ | 396 | 356.49 | 355.22 | 205 | 346 | 436 | 
| 16″ | 454 | 407.54 | 405.89 | 230 | 396 | 486 | 
	
 
	
 
GB PN10/DIN PN16
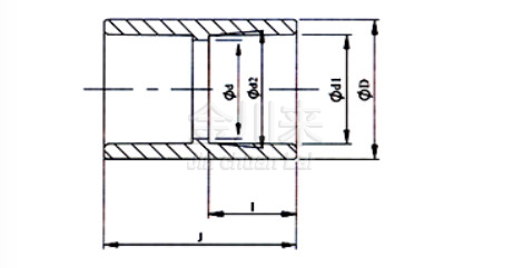
| SizeNom | ∮d1 | ∮d2 | ∮D | ∮d | I | L | 
| 1/2″(15mm) | 20.3 | 19.9 | 26 | 16 | 16 | 35 | 
| 3/4″(20mm) | 25.3 | 24.9 | 32 | 20 | 19 | 41 | 
| 1″(25mm) | 32.3 | 31.9 | 41 | 27 | 22 | 47 | 
| 1-1/4″(32mm) | 40.3 | 39.9 | 50.5 | 34 | 26 | 55 | 
| 1-1/2″(40mm) | 50.3 | 49.9 | 63.2 | 44 | 31 | 65 | 
| 2″(50mm) | 63.3 | 62.9 | 79.5 | 57 | 38 | 79 | 
| 2-1/2″(65mm) | 75.35 | 74.9 | 93 | 73 | 44 | 93 | 
| 3″(80mm) | 90.5 | 89.9 | 112 | 87 | 51 | 108 | 
| 4″(100mm) | 110.6 | 109.9 | 128.5 | 105 | 61 | 129 | 
| 5″(125mm) | 140.85 | 140.05 | 163 | 136 | 76 | 163 | 
| 6″(150mm) | 160.85 | 160.05 | 186 | 154.4 | 86 | 184 | 
| 8″(200mm) | 226.25 | 225.05 | 261 | 218 | 119 | 248 | 
| 10″(250mm) | 251.45 | 250.05 | 290 | 239 | 131 | 277 | 
| 12″(300mm) | 316.85 | 315.05 | 364 | 304 | 164 | 348 | 
	
	
 



